|
|
 |
|
|
|
|
|
Magnets | Magnetic Systems | Magnetic Components and Parts | Magnet Technology | Company |
| |
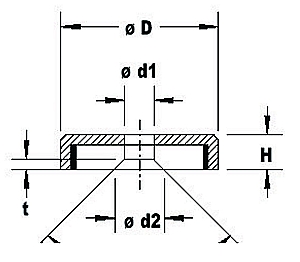
Product Overview Flat Grips of Hard ferrite with Bore and Counterbore

|
Type
|
ø D
|
ø d1
|
ø d2
|
t
|
H
|
flat-head
|
Weight
|
Adhesive Power
|
|
|
|
|
|
|
|
srew
|
[g]
|
[N]
|
| S03 |
16 |
3,5 |
6,5 |
1,6 |
4,5 |
M3 |
4 |
14 |
| S04 |
20 |
4,2 |
8,4 |
2,1 |
6 |
M4 |
9 |
27 |
| S05 |
25 |
5,5 |
10,4 |
2,5 |
7 |
M5 |
16 |
36 |
| S06 |
32 |
5,5 |
10,4 |
2,5 |
7 |
M5 |
27 |
72 |
| S07 |
40 |
5,5 |
10,4 |
2,5 |
7 |
M5 |
53 |
90 |
|
| |