|
|
 |
|
|
|
|
|
Imanes | Sistemas magnéticos | Componentes & elementos magnéticos | Técnico magnético | La empresa |
| |
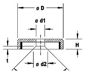
Datos generales (Imanes de adherencia planos de ferrita con agujero y contratuerca)

| N° Artículo |
ø D |
ø d1 |
ø d2 |
t |
H |
Tornillo avellanado
|
Peso |
Fuerza de adherencia |
|
|
|
|
|
|
|
g |
N |
| S03 |
16 |
3,5 |
6,5 |
1,6 |
4,5 |
M3 |
4 |
14 |
| S04 |
20 |
4,2 |
8,4 |
2,1 |
6 |
M4 |
9 |
27 |
| S05 |
25 |
5,5 |
10,4 |
2,5 |
7 |
M5 |
16 |
36 |
| S06 |
32 |
5,5 |
10,4 |
2,5 |
7 |
M5 |
27 |
72 |
| S07 |
40 |
5,5 |
10,4 |
2,5 |
7 |
M5 |
53 |
90 |
|
| |