Imanes  |     Sistemas magnéticos  |     Componentes & elementos magnéticos  |     Técnico magnético  |     La empresa
 
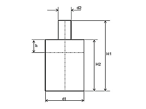
Datos generales (Imanes de adherencia cilíndricos con núcleo de AlNiCo 500 y pivote)

Stabgreifer AlNiCo mit Zapfen

N° Artículo           Peso Fuerza de adherencia
  d1 d2 H1 H2 h [g] [N]
701 6 3 28 20 12 4 1,7
702 8 3 28 20 10 7 4
703 10 4 28 20 10 12 8,5
704 13 4 28 20 8 20 12
705 16 5 28 20 6 30 20
706 20 6 33 25 6 60 50
707 25 8 45 35 15 140 115
708 32 10 50 40 10 250 200
709 40 15 70 50 10 520 240
710 50 18 85 60 12 925 420
711 63 20 95 65 10 1580 660