|
|
 |
|
|
|
|
|
Imanes | Sistemas magnéticos | Componentes & elementos magnéticos | Técnico magnético | La empresa |
| |
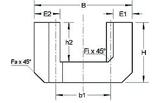
Datos generales RS 05

|
N° Artículo
|
B
|
H
|
L
|
S1
|
S2
|
E1
|
E2
|
b1
|
b2
|
h2
|
ød
|
|
|
[mm]
|
[mm]
|
[mm]
|
[mm]
|
[mm]
|
[mm]
|
[mm]
|
[mm]
|
[mm]
|
[mm]
|
[mm]
|
| U 57 |
57 |
35 |
45 |
35 |
27 |
11 |
15 |
32 |
22,5 |
23 |
8 |
| U 70 |
70 |
41 |
57 |
40 |
35 |
15 |
17,5 |
38 |
28,5 |
25 |
8 |
|
| |